Categories:

Updated: Nov 12, 2025

Servos and servo horns are some of the most frustrating items to buy, because most manufacturers and retailers don't share the information needed to confirm whether it will fit your application.

We're here to make it easy.

The stock servo:

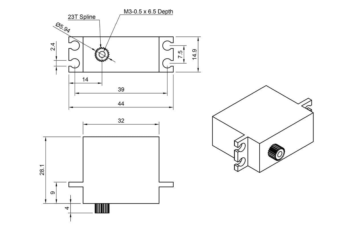
It depends on the specific platform, but they're all the same overall size and use a 23 tooth spline made to fit a 6 mm horn.

EMB Series -> Batan D115F

BHC Series -> Batan D132F

LC12B1 -> Batan D115F

With a 39 x 7.5 mm mounting hole pattern, they're an unusual footprint not used by any other servo manufacturer, limiting drop-in upgrades.

The typical OEM upgrade:

The Batan D135F metal gear servo is a direct replacement on the EMB/BHC series and LC12B1, and is a definite durability improvement over the the plastic geared D115F (and an equivalent replacement for the D132F).

However, it's still nowhere near as fast or strong as the more common micro servos on the market.

The Better Solution: Micro Servos


The minis go micro!

Ditch the OEM mounts and open up high speed, high torque options beyond the OEM mounting pattern.

Micro servos have been extensively developed and used across the RC world, and typically use the below mounting patterns:

  • 7 mm x 28 mm 4-hole
  • 28 mm or 28.8 mm 2-hole
  • slotted 2-screw design

To increase your options, we developed mount sets that allow for the use of any common micro servo (including our Titan T2807, which has a unique iridescent coating, hardened steel gears, and shock-resistant resin coated key electronics).

Or, there is a mini option...

Although we have made micro servo mounts, horns, and a servo to support these platforms, we must also mention that we've learned there is a mini servo from KST of near identical dimensions to the factory Batan servos.

We're not here to just push the products we've invested research, time, and money into, we're here to spread knowledge.

The KST CM633 is a high torque, high speed option that includes a plastic servo horn and screws which allow you to connect the stock M2 linkage to it.

Below, we continue our micro servo adventure.

Mounts

Aluminum servo mounts against white background

EMB Series / LC12B1 Micro Servo Mounts

These mounts are a direct fit on the EMB series and LC12B1, and use the original M2.6 screws for mounting to the chassis, and mounting your chosen micro servo to the mounts.

Precision CNC machined from high-strength 7075-T6 aluminum and anodized in a dark gray finish.

The outer holes are sized for a 28 x 7 mm mounting pattern, and the center holes are spaced at 28.8 mm, as that is the dimension we've found for 2-hole micro servos that do not have a slotted center (such as the Savox SV1232MG).

EMB / LC12B1 Mounts

BHC Series Micro Servo Mounts

The BHC-1 and BHC-1ST require the servo to be elevated and tilted ever so slightly for clearance and proper servo horn positioning. These mounts are otherwise identical to the above EMB mounts when it comes to servo fitment.

BHC Mounts

Servo Mounting Holes

Since the LC Racing platforms use oddball M2.6 screws for mounting, and most micro servos are expecting M2.5 screws to pass through them, drilling out the mounting holes is a common requirement.

This is why the NSDRC RS100 (with 28 mm hole spacing) can be installed using our micro servo mounts, which have 28.8 mm center-to-center hole spacing.

The Titan T2807 comes pre-sized for LC Racing M2.6 screws and does not require drilling before installation. 👍

Servos

Below are some of the most common options that can fit these platforms, from micro servos to the Batan D135F.

Brand Model Mount Hole Pattern Spline Tested by Scale Speed
Size and Tooth Count Internal Thread
AGFRC A20CLS SCSP14207 or
SCSP14210
4-hole / Slotted 5 mm 25T M2.5 No
AGFRC A20BHM SCSP14207 or
SCSP14210
4-hole / Slotted 5 mm 25T M2.5 Yes
Batan D135F OEM 4-hole 6 mm 23T M3 Yes
EcoPower WP173 SCSP14207 or
SCSP14210
4-hole / Slotted 5 mm 25T M2.3 No
KST CM633 OEM 4-hole 6 mm 25T M3 No
NSDRC RS100 SCSP14207 or
SCSP14210
2-hole 5 mm 25T M2 Yes
Reefs 179 SCSP14207 or
SCSP14210
4-hole / Slotted 5 mm 25T M2.5 Yes
Savox SV1232MG SCSP14207 or
SCSP14210
2-hole 5 mm 21T M2 No
Scale Speed Titan T2807 SCSP14207 or
SCSP14210
4-hole / Slotted 5 mm 25T M2.5 Yes

Servo Horns

Some manufacturers do not have a model number, and some do not share key information.

The missing information is shown as an "X" placeholder. We included these horns because we believe they may have the specifications needed, but we have not yet confirmed it.

Brand Model Spline Steering Linkage Hole(s) Compatible Servo Compatible Vehicle
Position(s) (mm) Thread
MOFO RC X 5 mm 25T 10, 13 M2 Micro BHC, EMB, LC12B1
Scale Speed SCSP00202 5 mm 25T 10, 13 M2 Micro BHC, EMB, LC12B1
Scale Speed SCSP00201 5 mm 25T 12 M2 Micro EMB, LC12B1
RampCrab X 5 mm 21T X X Micro N/A
Reefs 131 5 mm 25T X, X, 13 M2 Micro N/A
LC Racing L6238 6 mm 23T 12 M2 OEM Batan EMB, LC12B1
LC Racing L5051 6 mm 23T 13 M2 OEM Batan BHC

BHC Series Notes

The BHC series requires a very specific length and shape horn, which is why some horns are compatible with one platform, while others can fit both, or all three.

What We Recommend

Let us know if we missed anything, or you have experience with a servo/horn that wasn't mentioned!